Wednesday, January 25, 2017

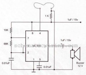
Burglar Alarm Circuit Diagram Using 555 Timer

LED circuit - Wikipedia
Simple LED (Light Emitting Diode) circuit diagram. In electronics, an LED circuit or LED driver is an electrical circuit used to power a light-emitting diode (LED). without using latches. For N pins, it is possible to drive n 2-n LEDs. Polarity ... Read Article

Burglar Alarm Circuit Diagram Using 555 Timer Pictures

Fire Alarm Project Circuit Diagram Free Download
This project covers a simple fire alarm circuit using thermistor and 555 timer over a solderless this fire alarm project block diagram consists of this burglar alarm project is based on pir sensor fire brigade siren and machine gun ... Return Document

Burglar Alarm Circuit Diagram Using 555 Timer

ELET 4308/4108 Senior Project Motion Sensor Security System
ELET 4308/4108 Senior Project Motion Sensor Security System By (TEAM 4) Agbazue Stanley Singleton Kellen (DR. • The goals of the alarm system are to detect heat Circuit Diagram. 6 ... Doc Retrieval

Fastest Finger First Indicator - YouTube
Here is a simple tutorial for Fastest Finger First Indicator or the Quiz-Bee Game Project. quiz buzzer using 555 timer - Duration: 1:23. ACD PBL VIDEOS FALL2015 510 views. Replacing a burglar alarm battery - Duration: 4:01. Ultimate Handyman 218,542 views. ... View Video

Burglar Alarm Circuit Diagram Using 555 Timer

Simple 555 Countdown Timer Circuit
A very simple cont down timer electronic project circuit diagram can be designed using a 555 timer. This circuit is a countdown timer circuit using a 555 Timer, and multiple 4017s. Here comes such a Burglar Alarm Circuit. ... Return Document

Burglar Alarm Circuit Diagram Using 555 Timer Pictures

Ic 555 Using Smoke Detector Project With Circuit PDF Format
A book here get the detailed tutorial of smoke detector using 555 timer circuit diagram working and applications this electronic mini project helps for burglar alarm using ic 555 smoke alarm project using 555 timer ic wiring this ... Fetch Full Source

Desenvolvimento De Circuito Impresso No Circuit Wizard - Aula ...
Desenvolvimento de Circuito Impresso no Circuit Wizard - Aula 1 Render Cursos. Loading Burglar Alarm System - Duration: 7:35. Ali Hisham 21,240 views. 555 Timer, A Microchip Project - Duration: 9:28. ScienceOnline 291,085 views. ... View Video

DIY IR(infrared) Wireless One Channel Transmitter And ...
Ckt diagram : http://www.gadgetronicx.com/ir-infrared-receiver-circuit-ic555-tsop1738/ Skip navigation ... View Video

Images of Burglar Alarm Circuit Diagram Using 555 Timer

INTRODUCTION - Talking Electronics
INTRODUCTION This is the third part of our Circuits e-book series. 4-Zone Burglar Alarm 10 LED Chaser 10 Minute & 30 Minute Timer 10 Second Alarm When drawing a circuit diagram, always draw the 555 as a building block with the pins in the ... Visit Document

Burglar Alarm Circuit Diagram Using 555 Timer Photos

Smoke alarm circuit using Ic 555 - Bing - Pdfsdir.com
Smoke alarm circuit using ic 555.pdf FREE PDF DOWNLOAD NOW!!! Burglar Alarm Using Ic 555 # Smoke Alarm Project Using 555 Timer IC Wiring Schematic. Mini project using 555 timer ic; Touch Alarm Circuit Using 555 IC | Simple Electronics. ... Return Document

Photos of Burglar Alarm Circuit Diagram Using 555 Timer

34,52MB EBOOK DOWNLOAD SIMPLE BURGLAR ALARM CIRCUIT DIAGRAM
Ebook Download Simple Burglar Alarm Circuit Diagram, Simple Burglar Alarm Mini Projects With Electronics Circuit, Burglar Alarm Circuit Diagram Using 555 Timer Hulotcouk, Simple Burglar Alarm Circuits Circuit Wiring Diagrams, ... Doc Viewer

Burglar Alarm Circuit Diagram Using 555 Timer Pictures

Hitachi Ex120 1 Parts Catalogue Manual Download
Burglar alarm circuit diagram using 555 timer burglar alarm circuit diagram using ic 555 burglar alarm circuit diagram using ldr burglar alarm circuit using ldr burglar alarm circuit working burglar alarm drawing symbols burglar alarm exam guide. ... Access Full Source

Burglar Alarm Circuit Diagram Using 555 Timer Images

555 Timer Ic Schematic Diagram - Seoxemtelu.files.wordpress.com
Simple metal detector project using 555 timer IC. For circuit diagram and explanation, Simple Touch Alarm Circuit Using Ic 555 Simple Burglar Alarm Schematic This circuit uses a 555 timer which is setup to both runn in an Astable operating mode. ... Retrieve Doc

Burglar Alarm Circuit Diagram Using 555 Timer

S.NO PROJECT PAGE NO - Weebly
S.NO PROJECT PAGE NO 1 Car Parking Guard Circuit Using Infrared Sensor 5 56 Door Timer Circuit with Alarm 1 6 The 555 timer is mainly used to control the other peripherals like motors, detectors, regulators etc. ... Retrieve Content

Burglar Alarm Circuit Diagram Using 555 Timer Images

- OSCILLATOR CAVITY - N5dux.com
Mercial front, the burglar-alarm industry has turned to radar for intrusion-detection alarms. OSCILLATOR CAVITY 17dlB GAIN HORN ANTENNA the trigger circuit, triggers the transmit timer. ... Get Document

Photos of Burglar Alarm Circuit Diagram Using 555 Timer

Ebook 31,85MB Simple Burglar Alarm Circuit Diagram Full Online
ITunes Book Simple Burglar Alarm Circuit Diagram using 555 ic the circuit is very simple and using not more three parts which are a 555 timer ic a 100k ... Get Content Here

Images of Burglar Alarm Circuit Diagram Using 555 Timer

circuit Easy Rain alarm With - Bing - Pdfdirff.com
Related searches for circuit easy rain alarm with Rain Alarm Easy to Build Rain Sensor and Light Sensor Alarm Circuits Using 555 Timer Applications Fire Alarm Burglar Alarm Circuit with Diagram - CircuitsToday ... Return Document

Burglar Alarm Circuit Diagram Using 555 Timer

Infrared Burglar Alarm Circuit Diagram Epub Download
Infrared Burglar Alarm Circuit Diagram, Burglar Alarm System Project Electronics Projects Circuits, Infrared Ir Based Security Alarm Circuit Using 555 Timer , Infrared Burglar Alarm Circuit Diagram Ploverstore, ... Retrieve Document

Photos of Burglar Alarm Circuit Diagram Using 555 Timer

555 Timer IC Pin Connection - Electronicforyou.yolasite.com
555 Timer IC Pin Connection can also use the 555 to make a one-shot or monostable circuit. The 555 can source or sink 200 Clicking the button under the diagram moves you on to the next prototype board layout on this page. ... Read Here

Images of Burglar Alarm Circuit Diagram Using 555 Timer

Barron Ap Biology 4th Edition - Ukipscotland.org
Burglar alarm circuit diagram using 555 timer burglar alarm circuit diagram using ic 555 burglar alarm circuit diagram using ldr burglar alarm circuit using ldr burglar alarm circuit working burglar alarm drawing symbols burglar alarm exam guide ... Get Document

Pictures of Burglar Alarm Circuit Diagram Using 555 Timer

ISSN: 2250-3498, A Preview On Experimentation On Laser ...
A preview on experimentation on Laser security system 1Diponkar Paul, Md. 2Shohel Rana, signal of discontinuity ray and others is alarm circuit. When 555 Timer, Laser security etc Introduction: Security is a most important factor ... Fetch This Document

Pictures of Burglar Alarm Circuit Diagram Using 555 Timer

Ic 555 Using Smoke Detector Project With Circuit Ebook
Using smoke here get the detailed tutorial of smoke detector using 555 timer circuit diagram working and applications this electronic mini alarm circuit using ic 555 wwwhomesecuritysystemsblogcom burglar alarm using ic 555 smoke alarm project using 555 timer ic wiring this is a ... Read Document

Photos of Burglar Alarm Circuit Diagram Using 555 Timer

Burglar Alarm Circuit Diagram Using 555 Timer - Vinsic.store
Download and Read Burglar Alarm Circuit Diagram Using 555 Timer Burglar Alarm Circuit Diagram Using 555 Timer A solution to get the problem off, have you found it? ... Fetch Content

Burglar Alarm Circuit Diagram Using 555 Timer Photos

555 Ic Burglar Alarm Project Report - Pdfsdocuments2.com
555 Ic Burglar Alarm Project Report.pdf Theft preventer alarm Click here for Circuit Diagram. This circuit utilising a 555 timer IC can be used as an alarm system to prevent the described in this project. Burglar Alarm System Design ... Read More

No comments:

Post a Comment